Product

In-situ Raman Analysis

Spectra Manager™ Suite Spectroscopy Software

JASCO | Spectra Manager™ Suite Spectroscopy Software

 

→ JASCO is the first manufacturer to develop a powerful, cross-platform suite of spectroscopy software for controlling an entire range of molecular spectroscopy instrumentation. Spectra Manager™ Suite is a comprehensive package for designing experimental methods, acquiring data and processing results. The intuitive user interface is used across the whole range of spectroscopy instruments eliminating the need to learn multiple software packages.

 


 

1. Introduction of functions

 

· Microsoft Windows 10 Professional or Enterprise

· 21 CFR part 11 compliance

· Validation for GxP

· Control of all JASCO spectroscopy instruments

· Control of multiple instruments from a single PC

· Analysis of many types of spectral data in a single user interface

· Users only need to be familiar with a single software package

· Flexible data display with publication quality printing

· Supports standard data formats such as ASCII, CSV, text and J-Camp for export to other software packages (Excel, Word, etc.)

 

 


 

Instrument Control & Data Acquisition

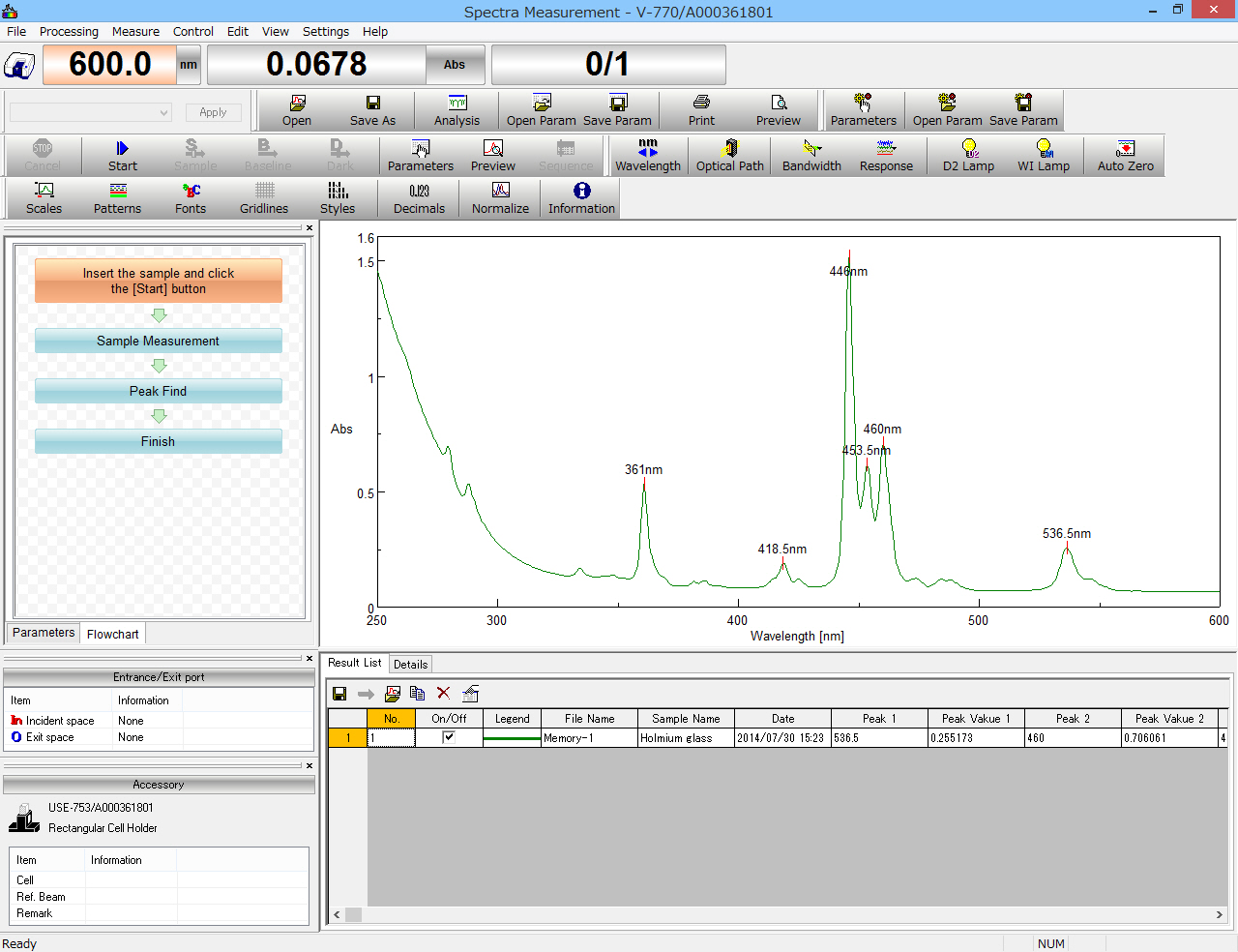
Drivers and applications are available to control every JASCO spectroscopy instrument and accessory. Simple dialogs allow creation and editing of method files and acquisition processes. Data acquired from the instrument is automatically saved and transferred to Spectra Analysis for further analysis and reporting. Each instrument driver includes comprehensive hardware diagnostics and validation.

 
 
Data Processing & Spectral Analysis

Many types of data files (UV-Visible/NIR, FTIR, Fluorescence, etc.) can be viewed in a single window, and processed using a full range of dedicated data processing functions. Features include peak location, arithmetic operations, derivatives, peak integration and processing, smoothing, baseline correction, etc.

 
 
Powerful Program Apps

With hundreds of standard and customer apps, Spectra Manager offers the highest productivity. You can find out more in the web pages associated with each instrument.

 

Macro Command

If you cannot find  an app that suits your measurement or analysis, a bespoke app can be developed using Macro Command; this includes almost any type of experimental design, measurement protocol, data acquisition, complex post-run data processing and reporting, etc.

 

Flexible Display Features

Powerful visualization tools can be used to overlay and print in user-selectable colors and patterns, with full control of style & font and autoscale mode. The workspace can be customized with flexible display of windows and tool bars, etc.

 

Report Publishing

JASCO Canvas is a powerful reporting package that can be used to produce versatile customizable report layouts.

 

 

 

 

LIST

약관

약관내용